FILIP HOLESZ

Externí projektant FVE a HROMOSVODŮ

Scroll

O mně

divider
Image

Váš externí projektant

Jsem externí projektant specializující se na fotovoltaické elektrárny a hromosvody. Vytvářím projektovou dokumentaci, dokumentaci skutečného provedení, analýzy rizik a návrhy optimálního rozložení panelů včetně materiálového výpočtu.

Pracovní zkušenosti zahrnují elektrotechniku, emobilitu a projektování FVE od roku 2018. Aktuálně se zaměřuji na tvorbu dokumentace pro rodinné i komerční objekty, hromosvody

STÁHNOUT CV

Mé služby

divider
Image

Dokumentace
LPS

Dokumentace návrhu/rekonstrukce jímací soustavy. (Grafický výpočet přeskokové vzdálenosti, pohledy valivé koule, Dispoziční rozložení hromosvodu, technická zpráva, výkaz výměr)

Icon

Dokumentace
FVE

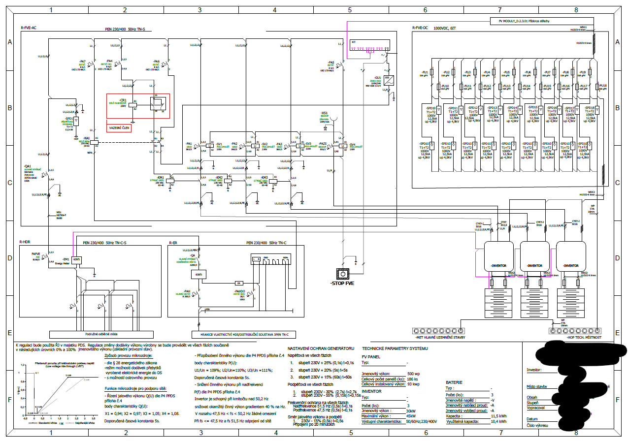
Dokumentace pro distibuci, klienta, nebo dokumentace skutečného provedení. Doplnení dokumentace o Vámi potřebné časti na základě konzultace. (Optimalizace rozložení panelů, výpočet materiálu, výpočet výroby, jednopolové schéma, vícepólové schéma AC a DC rozvaděčů, situace, pohledy, kabelové trasy.).

Image

Analýzy
a další

Analýzy rizik a další související podklady pro projekty..

Vypracování dokumentace

divider
9 Týden FVE RD
9 Týdny Komerční FVE
9 Týden LPS RD
1 Týdnů Nadstandardní dokumenty

Orientační cenová nabídka

divider

Kontaktujte mě

divider
Odesláno, děkuji!
Adresa
Remote -
Karviná, CZ